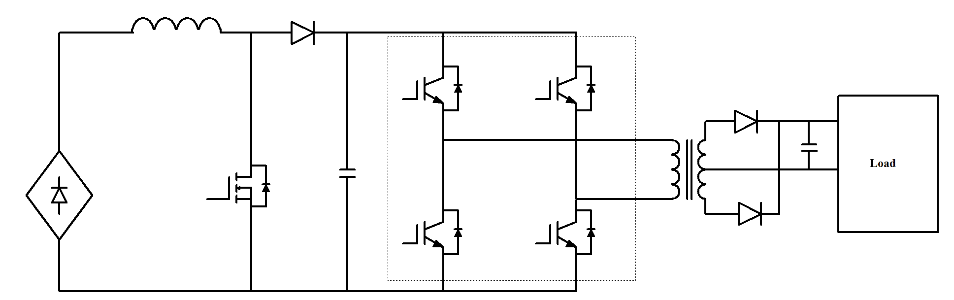
逆变焊机的工作过程,是将三相或单相 50Hz 工频交流电整流、滤波后得到一个较平滑的直流电,由IGBT或场效应管组成的逆变电路将该直流电变为15~100kHz 的交流电,经中频主变压器降压后,再次整流滤波获得平稳的直流输出焊接电流(或再次逆变输出所需频率的交流电)。
IGBT:VCE 1200V ID 15A~100A
VCE 600V/650V ID5A~80A
FRD:VBR 200V~1200V